联系永利yl科技

咨询电话:
+86-0755-28686964
传真:+86-0755-89360249
手机:+86-13632591249
联系人:张小姐
QQ:1361048151
Skype: rebecca11218
邮箱:1361048151@qq.com
地址:深圳市龙岗区坪地龙二工业园C栋6楼

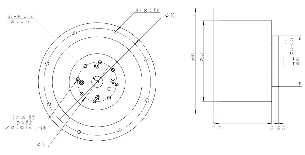
ZRDDR-210139-10-200-DMC

image.png

image.png